Zatka Machine Pcb Diagram

Electric Fence Energizer Circuit Diagram 12v Best Image Wallpaper Electric Fence Energizer Electric Fence Circuit Diagram

Electric Fence Energizer Circuit Diagram 12v Best Image Wallpaper Electric Fence Energizer Electric Fence Circuit Diagram

Solar Zatka Machine Pcb Circuit Board At Rs 750 Piece Pcb Circuit Id 19113328588

Solar Zatka Machine Pcb Circuit Board At Rs 750 Piece Pcb Circuit Id 19113328588

Single Sided Zatka Machine Pcb Circuit Rs 625 Set Shanti Plastic Industries Id 21945107912

Single Sided Zatka Machine Pcb Circuit Rs 625 Set Shanti Plastic Industries Id 21945107912

Atomizer Zatka Pcb Machine 10x 14 Cm Amazon In Industrial Scientific

Atomizer Zatka Pcb Machine 10x 14 Cm Amazon In Industrial Scientific

Sharma electronics offering solar zatka machine pcb printed circuit board प स ब र ड at rs 450 piece in ahmedabad gujarat.

Zatka machine pcb diagram.

This product is known as fence energizer fence guard zatka machine electric fence controller solar fenceing product etc. Bhoomi rakshak electric we aim to become leading names in the industry as manufacturer supplier of solar zatka machine electric fencing machine for safety security of agriculture private land based in rajkot india. Established in the year 2014 at rajkot gujarat india we are supported by a well functional infrastructural unit that assists us in the manufacturing of a high quality range of products. Show more show less.

We relexo technology are a notable and prominent sole proprietorship firm which is engaged in manufacturing a wide range of solar zatka machine fence energizers zatka insulator fence guard etc. About us shivam agri impex is a name which has been accredited with praise in the markets for serving customers the most commendable quality battery sprayer pump charger solar fence guard solar zatka machine agro sprayer battery sprayer pump battery sprayer pump parts and a lot more. This zatka machine supports 20 acers sahasra solar systems vanasthalipuram hyderabad no. Zatka machine demo 1 ઝટક મશ ન ડ મ ૧ झटक मश न ड म १ duration.

5 4 902 3 subhadra nagar near telangana co operative bank vanasthalipuram hyderabad 500070 dist. Saksham solar fencing energizer स ल र फ न स ग electric guard zatka machine 9850888320 duration. We are a manufacturer of the foretold and have always been accredited with immense reputation because we. Get contact details and address id.

Circuit diagram simplest fence charge using just a couple of capacitors if you have an access to a 220v ac or 120v ac mains input within reach then perhaps the following simple capacitor based ac fence energizer circuit could be used for the purpose without incorporating any kind of complex circuitry. Category people blogs.

Manufacturer Dc Zatka Machine Pcb Set For Circuit Board Rs 550 Piece Id 21965839155

Manufacturer Dc Zatka Machine Pcb Set For Circuit Board Rs 550 Piece Id 21965839155

Fr 1573 Best Sell Circuit Diagram Pcb Board Buy Circuit Diagram Pcb Board Wiring Diagram

Fr 1573 Best Sell Circuit Diagram Pcb Board Buy Circuit Diagram Pcb Board Wiring Diagram

Zatka Machine Solar Zatka Machine Manufacturer From Himatnagar

Zatka Machine Solar Zatka Machine Manufacturer From Himatnagar

Jewel Green Intelligent Zatka Machine Solar Fencing Guard Pcb With Wiring Shape Rectangle Yes Rs 450 Piece Id 20535490197

Jewel Green Intelligent Zatka Machine Solar Fencing Guard Pcb With Wiring Shape Rectangle Yes Rs 450 Piece Id 20535490197

Power Rectangular Zatka Machine Pcb Copper Thickness 3 5 Mm Rs 450 Piece Id 20297151473

Power Rectangular Zatka Machine Pcb Copper Thickness 3 5 Mm Rs 450 Piece Id 20297151473

Red Solar Zatka Fencing Pcb For Farm Rs 390 Pair Metro Electronics Id 21270309848

Red Solar Zatka Fencing Pcb For Farm Rs 390 Pair Metro Electronics Id 21270309848

Dharnidhar Manufacturing Manufacturer Of Pcb Design Zatka Trasfomer From Tharad

Dharnidhar Manufacturing Manufacturer Of Pcb Design Zatka Trasfomer From Tharad

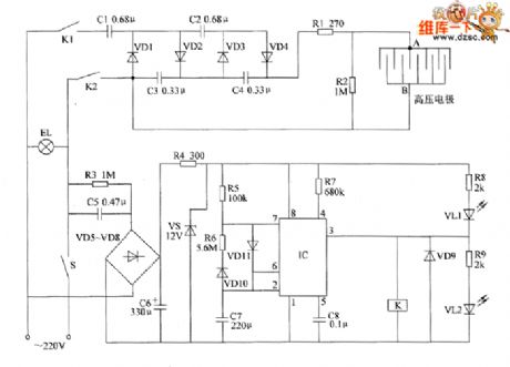
Index 100 Electrical Equipment Circuit Circuit Diagram Seekic Com

Index 100 Electrical Equipment Circuit Circuit Diagram Seekic Com

Pcb 10 Qlety Youtube

Pcb 10 Qlety Youtube

Electric Fence Electric Fence Circuit Diagram 555 Electric Fence Solar Power Fence Charger

Electric Fence Electric Fence Circuit Diagram 555 Electric Fence Solar Power Fence Charger

Zattaka Machine Ka Sab Function 1 Pcb Me Zattaka Machine Latests Pcb Youtube

Zattaka Machine Ka Sab Function 1 Pcb Me Zattaka Machine Latests Pcb Youtube

Jhatka Machine Pcb At Rs 300 Piece Soda Machine Pcb Id 20049162812

Jhatka Machine Pcb At Rs 300 Piece Soda Machine Pcb Id 20049162812

Source : pinterest.com